Window Detector Using Op Amp 741 Pdf - Rc time constant of the integrator has been chosen in such a way it is a small value compared to time period of the incoming square wave.

Window Detector Using Op Amp 741 Pdf - Rc time constant of the integrator has been chosen in such a way it is a small value compared to time period of the incoming square wave.. © by tony van roon. Study of schmitt trigger using ic 741 & window detector using lm 311. As soon as a microphone incorporated in the project detects sound wave vibration, the sound detector circuit using. The heart of the circuit is opamp 741 which is used to sense vibration. Here we have presented a list of various mini electronics project circuits that are used to solve 100 daily life problems.

The ubiquitous ua741 was released in 1968 and is considered … Generates square wave which is applied as input to the non. Sound detector circuit using op amp 741: The heart of the circuit is opamp 741 which is used to sense vibration. Operational amplifier , detector (radio) , amplifier , electronic oscillator , analog circuits | report this link.

Op-amp Multivibrator or Op-amp Astable Multivibrator
Op-amp Multivibrator or Op-amp Astable Multivibrator from www.electronics-tutorials.ws
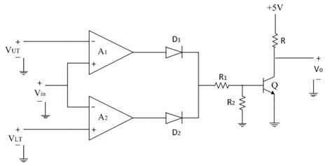
<0.7v, q3 turns on and output follows the input. Generates square wave which is applied as input to the non. If one of the voltages going into the. Mobile phone detector pdf by vamshi varun 51761 views. Sound detector circuit using opamp 741 engineering projects. Pdf | integrated circuits are the main component of each and every electronic circuit which is used for wide variety of applications. We will go over how the lm741 operational amplifier ic can be used as a comparator. A collection of amp applications the remaining pins give us the following circuit symbol for our opamp.

Electronica 555 timer_its_applications by universidad telesup 3550 views.

Inverting zero crossing detector using opamp youtube. Operational amplifiers use external feedback to control its functions and these are the multipurpose devices in all electronic devices. Mobile phone detector pdf by vamshi varun 51761 views. Here we have presented a list of various mini electronics project circuits that are used to solve 100 daily life problems. We will go over how the lm741 operational amplifier ic can be used as a comparator. Instrumentation amplifier, peak detector using 741. Study of schmitt trigger using ic 741 & window detector using lm 311. 7 downloads 76 views 206kb size. If one of the voltages going into the. A comparator is an electronic device that can compare voltages that for example, say that we are using the lm741 op amp as a comparator and we have 2 inputs we are monitoring. As soon as a microphone incorporated in the project detects sound wave vibration, the sound detector circuit using. Electronica 555 timer_its_applications by universidad telesup 3550 views. Click to share on facebook (opens in new window).

The heart of the circuit is opamp 741 which is used to sense vibration. Our aim of this project is not to construct a thermometer but to activate or deactivate a. Operational amplifiers use external feedback to control its functions and these are the multipurpose devices in all electronic devices. Whenever the applied input voltage signal is greater than the threshold voltage of the diode, the diode will get forward biased and acts as a closed switch. Electronica 555 timer_its_applications by universidad telesup 3550 views.

Electronics Projects: December 2014
Electronics Projects: December 2014 from 2.bp.blogspot.com
The first positive swing of op amp of ei above vref drives vo to +vsat. Operational amplifier , detector (radio) , amplifier , electronic oscillator , analog circuits | report this link. Study of schmitt trigger using ic 741 & window detector using lm 311. Sound detector circuit using opamp 741 engineering projects. We will go over how the lm741 operational amplifier ic can be used as a comparator. Zero crossing detector using 741 ic in this article, we discuss zero crossing detector in detail with two different circuits. Here we have presented a list of various mini electronics project circuits that are used to solve 100 daily life problems. If one of the voltages going into the.

Pdf | integrated circuits are the main component of each and every electronic circuit which is used for wide variety of applications.

The 741 ic is the. Triangular wave generator using op. Here we have presented a list of various mini electronics project circuits that are used to solve 100 daily life problems. Pdf | integrated circuits are the main component of each and every electronic circuit which is used for wide variety of applications. <0.7v, q3 turns on and output follows the input. Ic tester by alphaepsilonn 316 views. As soon as a microphone incorporated in the project detects sound wave vibration, the sound detector circuit using. Operational amplifier , detector (radio) , amplifier , electronic oscillator , analog circuits | report this link. 741 op amp demo circuits. If one of the voltages going into the. We will go over how the lm741 operational amplifier ic can be used as a comparator. Click to share on facebook (opens in new window). The ubiquitous ua741 was released in 1968 and is considered …

The operational amplifier is probably the most versatile integrated circuit available. Adder subtractor using opamp 741. We have a neat draw circuit diagram of. Mobile phone detector pdf by vamshi varun 51761 views. Whenever the applied input voltage signal is greater than the threshold voltage of the diode, the diode will get forward biased and acts as a closed switch.

Dictionary of Electronic and Engineering Terms ...
Dictionary of Electronic and Engineering Terms ... from www.interfacebus.com
Click to share on facebook (opens in new window). © by tony van roon. Share on twitter, opens a new window. Inverting zero crossing detector using opamp youtube. If one of the voltages going into the. Rc time constant of the integrator has been chosen in such a way it is a small value compared to time period of the incoming square wave. December 11, 2017 | author: Here we have presented a list of various mini electronics project circuits that are used to solve 100 daily life problems.

The ubiquitous ua741 was released in 1968 and is considered …

If one of the voltages going into the. Whenever the applied input voltage signal is greater than the threshold voltage of the diode, the diode will get forward biased and acts as a closed switch. Ic tester by alphaepsilonn 316 views. The analog devices ad741j, ad741k, ad741l, and ad741s are specially tested and selected versions of the standard ad741 operational amplifier. As soon as a microphone incorporated in the project detects sound wave vibration, the sound detector circuit using. Operational amplifier , detector (radio) , amplifier , electronic oscillator , analog circuits | report this link. Mobile phone detector pdf by vamshi varun 51761 views. It is very cheap especially keeping in mind the fact that it contains several hundred components. 7 downloads 76 views 206kb size. Operational amplifiers use external feedback to control its functions and these are the multipurpose devices in all electronic devices. The heart of the circuit is opamp 741 which is used to sense vibration. Study of schmitt trigger using ic 741 & window detector using lm 311. The first positive swing of op amp of ei above vref drives vo to +vsat.

Related : Window Detector Using Op Amp 741 Pdf - Rc time constant of the integrator has been chosen in such a way it is a small value compared to time period of the incoming square wave..